
| Re: Neben-Uhr Kategorie: I²C-Bus (von André H. - 21.10.2003 15:35) | |
|
Als Antwort auf Re: I2C-Relaistreiber von Mario Fischer - 20.10.2003 23:46
| |
|
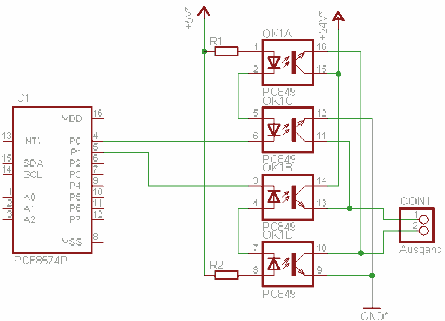
Hallo Mario, Hier wäre noch eine einfach Schaltung für Deine Nebenuhren: Eine H-Brücke mit günstigen Optokoplern (z.B. 4fach OP PC849 oder PC847): ![]() Hier gibt's allerdings das Problem, wenn beide Ausgänge des PCF8574 auf LOW sind, da� es auf der 24V-Seite einen Kurzschlu� gibt. Daher mu� die Schaltung eine Verrigelung drinhaben: ![]() So kann immer nur ein Teil druchschalten, und ein Kurzschlu� ist ausgeschlossen. Welcher Strom mu� denn auf der 24V-Seite flie�en ? (Werden die Nebenuhren von den 24V auch versorgt ?) Die Lösung mit den Optokopplern darf mit max. 50mA belastet werden. MfG André H. Antworten bitte nur ins Forum! Fragen per EMail auf Forum-Postings werden nicht beantwortet! Das macht meine Heizung gerade | |
Antwort schreiben Antworten: | |